产品资料相关证书最新活动联络我们
  专业代理世界优质品牌

专业制造及出口优质传动件
 



产品介绍

STI 梅花联轴器 R-系列





产品特点:
产品结构: 由两个轴套的爪形齿件与一个梅花形天然橡胶弹性体组成
轴套件材料: C45钢、GG25铸铁、铝合金;
弹性体材料:

92 Sh A(黄)、98 Sh A(红)、64 Sh D(白);

产品特点: ● 结构尺寸小、重量轻、传递扭矩高;
● 有效改善机械的运行质量和稳定性;
● 能有效减少运行过程中产生振动和冲击;
● 当轴与轴安装时出现偏差,弹性体的鼓形齿避免了应力集中;
● 有效纠正轴向、径向、和角向的安装偏差。


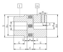
規格尺寸:
规格
部件
弹性体(部件2)
额定力矩(Nm)
标准孔
成品孔
L
C
E
N
S
D
Ba;Bd
G
成品孔
92

ShA
98

ShA
64Sh

D
(d)
(d)
最小~最大
Mt
t
R-19/24
1
10
17
21
6
6~16
66
25
16
12
2
40
32
20
M5
10
1a
6
6~24
40
-
R-24/32
1
35
60
75
9
9~24
78
30
18
14
2
55
40
24
M5
10
1a
9
9~32
55
-
R-28/38
1
95
160
200
10
10~28
90
35
20
15
2.5
65
48
28
M8
15
1a
10
10~38
65
-
R-38/45
1
190
325
405
12
12~38
114
45
24
18
3
80
66
37
M8
15
1a
12
12~45
78
R-42/55
1
265
450
560
12
12~42
126
50
26
20
3
95
75
40
M8
20
1a
12
12~55
94
R-48/60
1
310
525
655
12
12~48
140
56
28
21
3.5
105
85
45
M8
20
1a
12
12~60
104
R-55/70
1
410
685
825
15
15~55
160
65
30
22
4
120
98
52
M10
20
1a
15
15~70
118
R-65/75
1
625
940
1175
15
15~65
185
75
35
26
4.5
135
115
61
M10
20
1a
15
15~75
133
R-75/90
1
1280
1920
2400
15
15~75
210
85
40
30
5
160
135
69
M10
25
1a
15
15~90
158
R-90/100
1
2400
3600
4500
38
38~90
245
100
45
34
5.5
200
160
81
M12
25
1a
38
38~100
180


订货指南示例:
联轴器规格
材料
弹性体硬度
(Shore-A)
轴套型式
成品孔
轴套型式
成品孔
R-38/45-□□-□□
C45钢
92
1
Φ25
1a
Φ45


欢迎下载R系列梅花联轴器电子样本资料(PDF2.67MB)





Tel: (852)2499 9168
Fax: (852)2417 9183, (852)8343 6887
Copyright © 2009 Silvertech Industrial (HK) Ltd. All rights reserved.